ПП 9
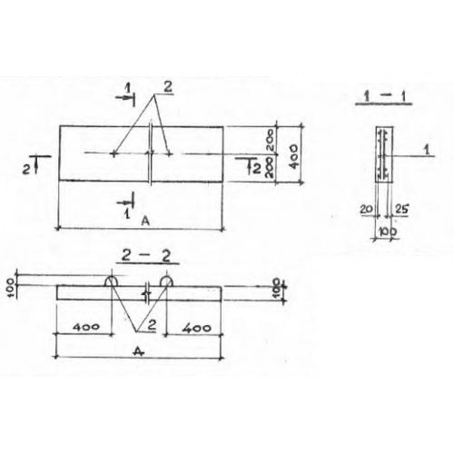
Характеристики изделия:
| Параметр | Значение |
|---|---|
| длина | 3000 мм |
| ширина | 400 мм |
| высота | 100 мм |
| масса | 300 кг |
| нормативный документ | Серия 3.006.1-2/82 |
Цена:
Рассчитать стоимостьПП 9 Плиты перекрытия лотков (плоские подкладки) Серия 3.006.1-2/82.
| Параметр | Значение |
|---|---|
| длина | 3000 мм |
| ширина | 400 мм |
| высота | 100 мм |
| масса | 300 кг |
| нормативный документ | Серия 3.006.1-2/82 |
ПП 9 Плиты перекрытия лотков (плоские подкладки) Серия 3.006.1-2/82.
