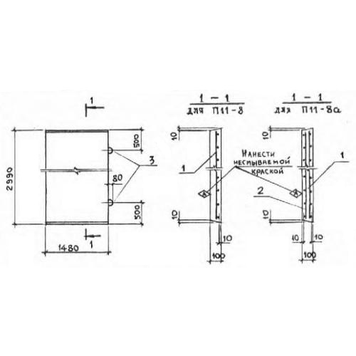
П 11/2 плиты лотков

Чертеж изделия:
Характеристики изделия:
ПараметрЗначение
длина1495 мм
ширина1480 мм
высота100 мм
масса552,5 кг
нормативный документСерия 3.006.1-2/87

П 11/2 Плиты перекрытия лотков Серия 3.006.1-2/87.