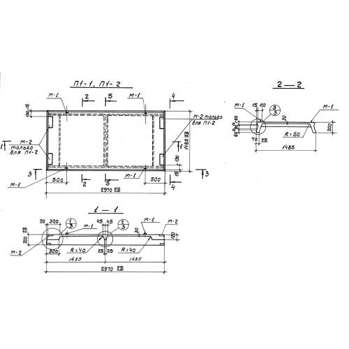
П 1

Чертеж изделия:
Характеристики изделия:
ПараметрЗначение
длина2970 мм
ширина1485 мм
высота200 мм
вес760 кг
серия3.016-3

П 1 Плиты перекрытия по серии 3.016-3.