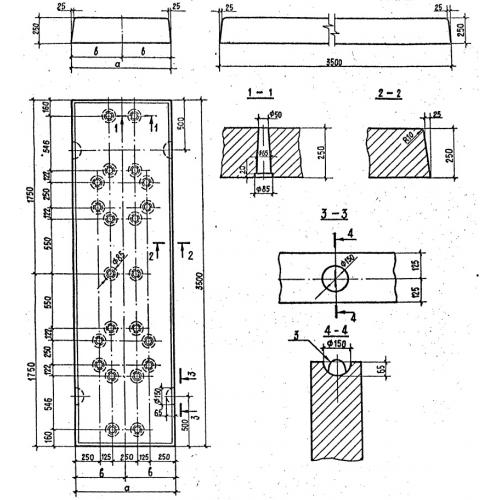
ПФ 35.10 Плиты фундаментов под трансформаторы

Чертеж изделия:
Характеристики изделия:
ПараметрЗначение
длина3500 мм
ширина1000 мм
высота250 мм
масса2190 кг
нормативный документСерия 3.407.1-157

ПФ 35.10  Плиты фундаментные по Серии 3.407.1-157.