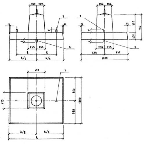
МФ 1.3 Малозаглубленный фундамент
Характеристики изделия:
| Параметр | Значение |
|---|---|
| длина | 1500 мм |
| ширина | 1300 мм |
| высота | 700 мм |
| масса | 1200 кг |
| нормативный документ | Серия 3.407.1-159 |
Цена:
Рассчитать стоимостьМФ 1.3 Малозаглубленные фундаменты по Серии 3.407.1-159.
