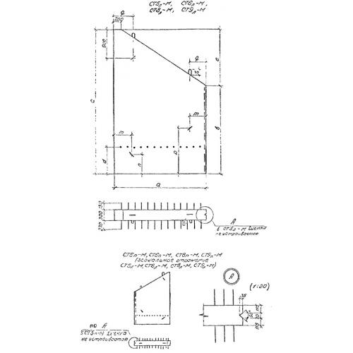
СТ 8 стенка

Чертеж изделия:
Характеристики изделия:
ПараметрЗначение
длина4450 мм
ширина2800 мм
высота300 мм
масса7600 кг
нормативный документСерия 3.501.1-179.94

СТ 8 Откосные стенки по Серии 3.501.1-179.94.