П 25-15

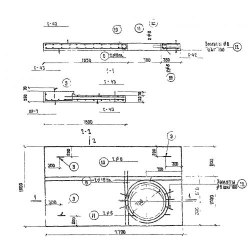
Чертеж изделия:
Характеристики изделия:
ПараметрЗначение
длина2700 мм
ширина1500 мм
высота200 мм
масса1500 кг
нормативный документСерия 3.503-21

П 25-15 Плиты перекрытия смотровых колодцев по Серии 3.503-21.