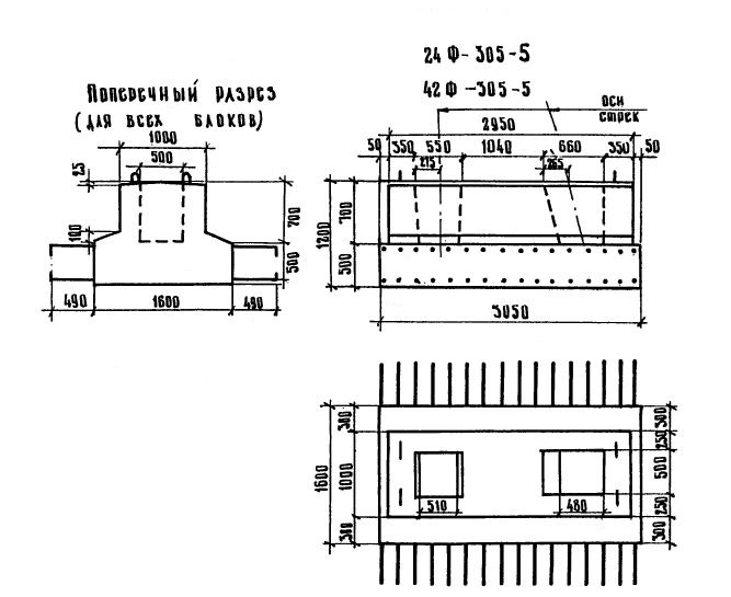
Ф-305

Чертеж изделия:
Характеристики изделия:
ПараметрЗначение
длина3050 мм
ширина2580 мм
высота1330 мм
масса10000 кг
нормативный документСерия 3.503-23

Ф-305  Блоки фундамента Серия 3.503-23.