СБО 3.1-1 ВрII-1

Чертеж изделия:
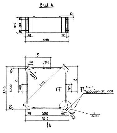
Характеристики изделия:
ПараметрЗначение
Длина3210 мм
Ширина3210 мм
Высота1170 мм
Масса3700 кг
Нормативный документСерия 3.702.1-4

СБО 3.1-1 ВрII-1 Силосный блок объёмный по Серии 3.702.1-4.