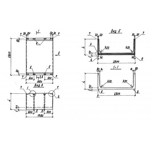
ЛК 198.280.125

Чертеж изделия:
Характеристики изделия:
ПараметрЗначение
длина1980 мм
ширина2800 мм
высота1250 мм
вес3250 кг
серия3.818.9-2

ЛК 198.280.125 Лотки для каналов навозоудаления по серии 3.818.9-2.