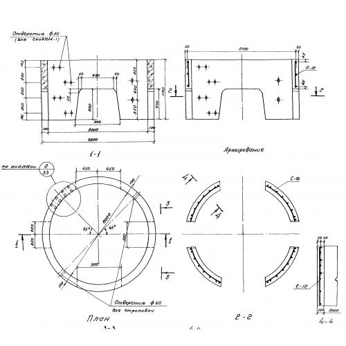
КЦ 20-12 Кольца колодцев стеновые

Чертеж изделия:
Характеристики изделия:
ПараметрЗначение
длина2200 мм
ширина2200 мм
высота1190 мм
масса1550 кг
нормативный документСерия 3.900.-3

КЦ 20-12   Стеновые кольца колодцев по Серии 3.900.-3.