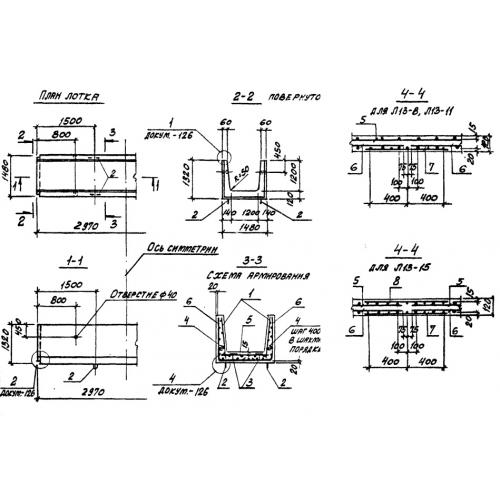
Л 13а лоток

Чертеж изделия:
Характеристики изделия:
ПараметрЗначение
длина2970 мм
ширина1480 мм
высота1320 мм
масса3100 кг
нормативный документСерия 3.900.1-12

Л 13а Лотки теплотрасс по Серии 3.900.1-12.