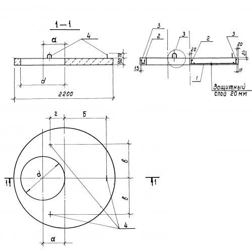
КЦП 20 плита колодца

Чертеж изделия:
Характеристики изделия:
ПараметрЗначение
длина2200 мм
ширина2200 мм
высота160 мм
масса1380 кг
нормативный документСерия 3.900.1-14

КЦП 20 Плиты перекрытия колодцев по Серии 3.900.1-14.