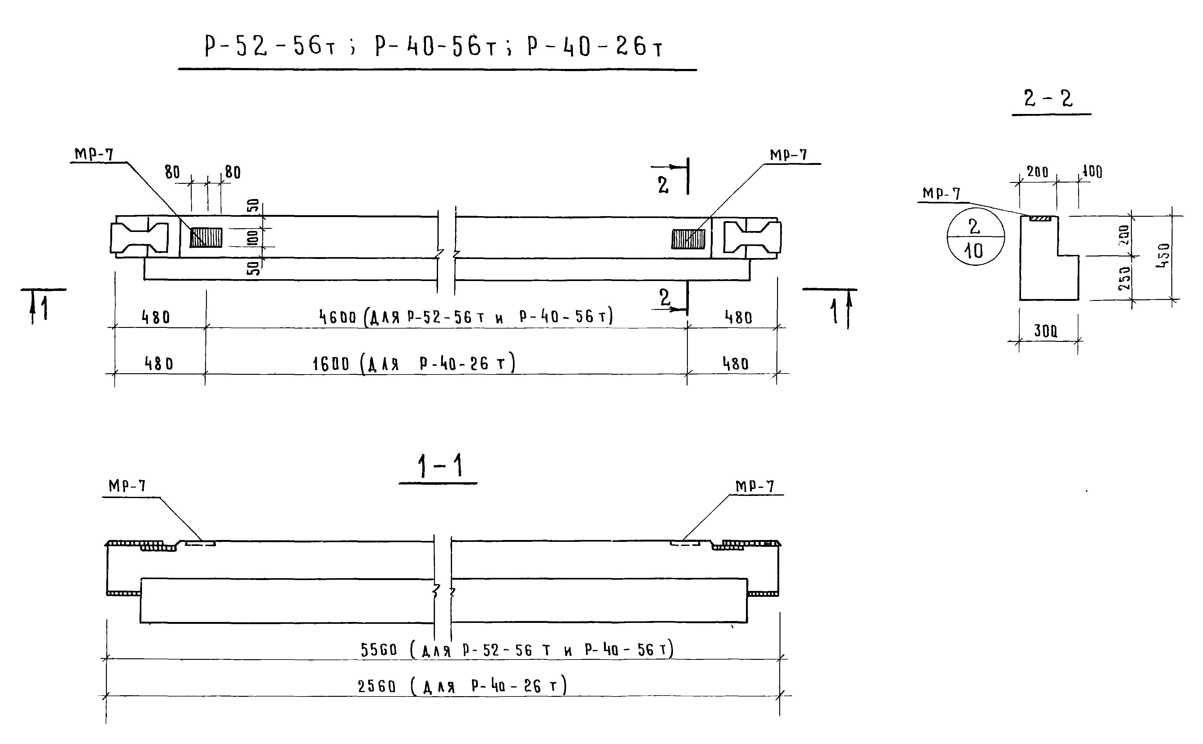
Р 40-26 т
Характеристики изделия:
| Параметр | Значение |
|---|---|
| Длина L | 2560 мм |
| Ширина В | 300 мм |
| Высота Н | 450 мм |
| Вес | 700 кг |
| Серия | ИИ 04-3 |
| Норма погрузки на машину (20тн) | 28 шт |
| Вагонная норма погрузки | - |
Цена:
Рассчитать стоимостьРигели Р 40-26т изготавливается в соответствии с нормами рабочих чертежей альбома ИИ 04-3, в двух вариантах: с одной полкой «Р» и с двумя полками «Р 2». Применяются ригели при возведении каркасных зданий.
.jpg)