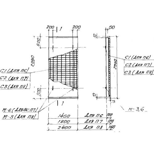
П 8 плиты перекрытия

Чертеж изделия:
Характеристики изделия:
ПараметрЗначение
длина2990 мм
ширина2400 мм
высота160 мм
масса2880 кг
нормативный документСерия ИС 01-04

П 8 Плиты перекрытия  по Серии ИС 01-04.