ОП 2
Характеристики изделия:
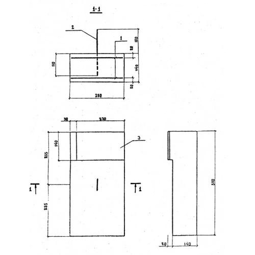
| Параметр | Значение |
|---|---|
| длина | 260 мм |
| ширина | 510 мм |
| высота | 140 мм |
| вес | 50 кг |
| серия | ТП 503-7-13.88 |
Цена:
Рассчитать стоимостьОП 2 Опорные подушки по проекту ТП 503-7-13.88.
| Параметр | Значение |
|---|---|
| длина | 260 мм |
| ширина | 510 мм |
| высота | 140 мм |
| вес | 50 кг |
| серия | ТП 503-7-13.88 |
ОП 2 Опорные подушки по проекту ТП 503-7-13.88.
